Schalten und Walten
25.05.2004
Heute früh in der Roedernallee/Ecke Lengeder an der Ampel stelle ich fest, dass ich nicht mehr runterschalten kann. HMPF. Rolle rolle rolle runter von der Strasse, die Karre aufgebockt und alle sichtbaren Hebel und Winkel geprüft: Alles ist frei, nix klemmt und dennoch komme ich nicht aus dem vierten Gang raus.
Anlassen konnte ich es nur, weil in aufgebocktem Zustand das Hinterrad frei läuft; einen Leerlauf gibt es natürlich auch nicht mehr. Und anfahren ... nun gut, immerhin hat niemand behauptet, dass das im vierten von vier Gängen eine Freude wäre, aber am Ende geht es irgendwie. Und früh um halb sechs muss man zwischen Roedernallee und Frohnau im Grunde auch nicht mehr anhalten, so dass ich noch ganz gut zur Arbeit gekommen bin.
Nachher aber am Nachmittag werde ich sicherlich nicht durch die Stadt fahren wollen, ohne alle meine Gänge - es ist mir noch von dem verstopften Auspuff her in unangenehmster Erinnerung, mit dem Knatterschwein auf einmal ein Verkehrshindernis zu sein ...
Aber ich habe schon mit meinem Mechanikus telefoniert. Er kommt nachher und bringt eine neue Schaltklaue mit, da die alte vermutlich abgenutzt ist - ich freue mich immer wieder, wie präzise Telefondiagnosen der Mann stellt.
So "gegen zweie, dreie" werde ich wissen, wie es neben der Präzision um die Korrektheit der Diagnose bestellt ist. Ich will Sie auf dem Laufenden halten.
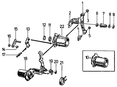
Nachtrag:

Die Schaltklaue (18)
Eben war der gute Mechaniker hier - und siehe, seine Ferndiagnose entbehrte nicht der Korrektheit! Tatsächlich war die Schaltklaue abgebrochen. Nach seinen erfahrenen Angaben ist die das erste, was abbricht, und in der Folge dann das häufigste - aber offenbar nicht öfter als alle 10.000 km, weil soviel hab ich jetzt runter und es ist das erste Mal.
Ohohoho, wie ich mich freue! Das gute, brave, treue Knatterschwein fährt wieder; warmes Wonnegefühl wallt in mir.
Erwartungsgemäss hat der gute Mann geflucht, weil er den Weg ans äusserste Ende der Stadt unterschätzt hatte und mit dem Rad gefahren ist - aber wir alle wissen, auf welche Weise man solchen Unmut rapide besänftigen kann: Durch die Aushändigung eines erhöhten Beförderungsentgeldes.
Daraufhin leuchteten nicht nur meine, sondern auch die Augen des Mechanikus, und voll Tatendrang fuhrwerkte er dann im Getriebe des besten Mopeds der Welt.
Seine Probefahrt liess mein Herz höher schlagen, als ich das PRRÖÖARM - PRRÖÖÖARM - PRRÖÖÖÖARM - PRRÖÖÖÖÖARM von viermal Hochschalten hörte, und danach das PROOUM - PRÖPRÖP - PROOUM - PRÖPRÖP - PROOUM - PRÖPRÖP - PROOUM-PRÖPRÖPRÖPRÖP vom Runterschalten.
Jetzt steht das treue Nutztier und wartet nur mehr darauf, dass ich die halbe Stunde nacharbeite, die die Reparatur gekostet hat.
© alle Rechte vorbehalten