Das Leben geht weiter!
13.05.2006
Nachdem ich vorgestern schon das Versicherungskennzeichen und gestern einen praktischen
Angelhocker erworben habe, bin ich heute mit diesen Dingen, einem Eimer Seifenwasser und
dem Werkzeug zu meinem Knatterschwein gegangen.
Zuerst habe ich es auf den Hof geschoben und gewaschen. Hernach die Kerze angeschaut und
sie für optisch tadellos befunden; indes ein kurzes Drehen am Kickstarter ergab, dass sie
keinen Zündfunken liefern mochte. In meinem Kopf begann es zu rattern: Was zwischen Lima
und Kerze kann seit November so vergammeln, dass kein Strom mehr durchkommt?

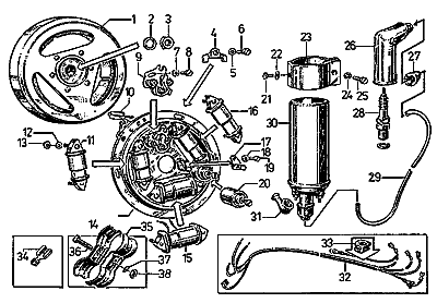
Die Zündspule 8352.1/2 (30) und die Zündleitung NZÜY 24450 (29)
Ich begann die Suche am zugänglichen Ende. Der Kerzenstecker war soweit in Ordnung; blankes
Metall blitzte mir an der vorsintflutlichen Schraubverbindung des Zündkabels entgegen.
Danächst der Übergang zwischen Kabel und Zündspule - und siehe, hier schimmerte nicht der
saubere Kupferdraht, sondern krümelte mir ein blaugrünes Verrottungsprodukt desselben
entgegen.
Welche Verwesung sich indes nur auf den letzten halben Zentimeter des Kabels erstreckte.
Ich kappte ihn, würgte das nun wieder frische Kabelende in die Zündspule, drehte am
Starter, und ZAPZAPZAPZAPZAP! flackerten kleine blaue Fünkchen, genau so wie sie sollten.
Wunderbar. Ich schraubte die Kerze wieder rein und delaborierte den Vergaser. Bzw ich
begann damit und wurde vom einsetzenden Regen in den Hausflur getrieben - zum Ausgleich war
aber auch kein Dreck in der Schwimmerkammer und konnte ich mir und der Natur die reinigende
Kleckerei ersparen.
Die Bremse zieht noch, das Öl sieht gut aus (und riecht gut!), nur das Hinterrad braucht
etwas Luft und den linken Rückspiegel muss ich noch anschrauben. Da ich für die letzteren
beiden Feinschliffe nochmal die Treppe hochgemusst hätte, verschob ich sie auf später;
ebenso verschob ich das Schwein vom Hausflur auf den Gehweg.
Der grosse, spannende Moment war gekommen: Würde es angehen?
Beim ersten Mal Treten natürlich nicht, beim zweiten Mal auch nicht und beim dritten Mal
wurde es mir zu blöd. Gang rein, drei Schritte Anlauf, Kupplung kommenlassen - und
PRÖTPRÖTPRÖTPRÖT! klang es wunderbar in meinen Ohren. Kaum zog ich am Gas, stürmte das gute
Tier auch schon über den Gehweg.
Nur kurz fuhr ich dort die Gänge durch; denn es regnete, ich hatte keinen Helm auf, noch
das alte Schild dran, auf meiner Teststrecke befand sich plötzlich eine Bushaltestelle und
das wesentliche hatte ich ja bereits herausgefunden:
Das Knatterschwein fährt wieder!
(Klar, das mit dem Anschieben ist keine so grosse Annehmlichkeit. Aber es nervt um Längen
weniger, als die Rennerei und die Treppen beim Bahnfahren. Und der Angelhocker sieht zwar
albern aus, macht die Fummelei aber auch deutlich bequemer. - Vor allem dieses sonst so
lästige Wechseln des Schildes, wozu Sie unter dem sehr dreckigen Schutzblech Muttern
festhalten müssen, ohne dass dort auch nur ansatzweise genügend Platz dafür wäre. Oder das
Schutzblech abschrauben, wobei dasselbe Problem dann an dessen rechter Befestigung
auftritt. Aber zum Glück ja nur einmal im Jahr.)
Ach, ist das schön. Das gute Knatterschwein. - Es war eine grosse Freude, mal wieder auf
diesem putzigen Maschinchen zu sitzen und unter lautem Knattern mit ihm umherzufahren.
Selbst die paar hundert Meter vorm Haus. Jetzt ist es mir draussen zu nass, aber morgen
früh - wenn ich wg Zeitung und Pizza auch einen plausiblen Grund habe - will ich es mal
etwas über Land treiben und seine Ausdauer prüfen.
Weil ... unangenehme Überraschungen hab ich lieber am Sonntagvormittag im Sonnenschein, als
Montagfrüh halb sechs in der Residenzstrasse.
© alle Rechte vorbehalten